CoolJag Everflow fans are extremely versatile PWM controlled fans. They have a wide rpm range, allowing quiet operation and low flow when cooling needs are minimal, but with the ability to scale up to high airflow almost instantly when called upon. At full speed they are quite loud, but in some system configurations they may never need to reach that threshold.
Note that to operate properly these, and any PWM fans, must be used with a motherboard that includes an appropriate number of fan headers onboard and has controls in the BIOS for fan speed settings.
Note that to operate properly these, and any PWM fans, must be used with a motherboard that includes an appropriate number of fan headers onboard and has controls in the BIOS for fan speed settings.
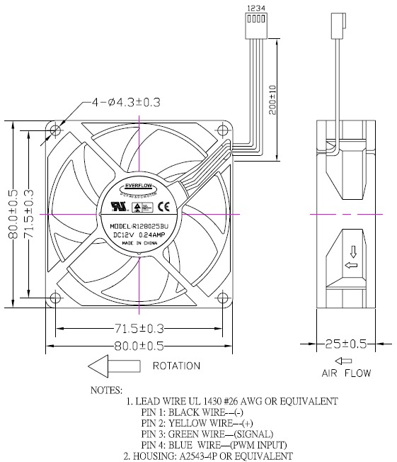
Model: CoolJag R128025BUAF
Specifications
Specifications | |
| Dimension | 80x80x25 mm (3.1 in) |
| Speed | 600-3400 RPM |
| Air Flow | 7.92-46.18 CFM |
| Air Pressure | .13-3.85 mmH2O |
| Noise | 19.5-35.3 dBa |
| Bearing Type | Dual Ball Bearing |