Supermicro X6DAE-G2

Motherboard

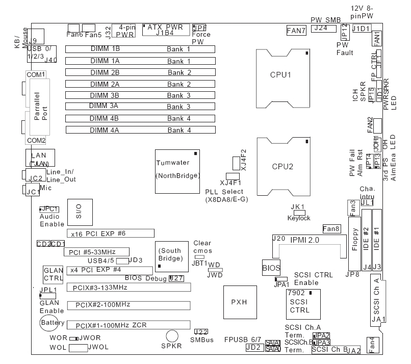
Supermicro X6DAE-G2 Main Picture


Supermicro X6DAE-G2 Picture 6823Supermicro X6DAE-G2 Picture 6766

Model: Supermicro MBD-X6DAE-G2-O

Features

  • Dual Intel 64-bit Xeon Support, up to 3.60 GHz, 800 MHz FSB
  • Intel E7525 (Tumwater) Chipset
  • Up to 16GB DDRII 400 SDRAM
  • Intel 82546GB Dual-port Gigabit Ethernet Controllers
  • 2x SATA Ports via ICH5R SATA Controller
  • 1 (x16) 1 (x4) PCI-Express, 1x 64-bit 133MHz PCI-X, 2x 64-bit 100MHz PCI-X, 1x 32-bit 33MHz PCI
  • AC'97 Audio, 6-Channel Sound


Form Factor: Extended ATX
Dimensions: 12-in. x 13.05-in. (30.5cm x 33.2cm)
CPU: Monitors for CPU Cores, +3.3V, +5V, +/-12V +5V Standby | CPU Core 4-Phase-switching voltage regulator with auto-sense from 0.8375V-1.6V
FAN: Total of eight 4-pin fan headers | 8x fans with status monitoring | Low noise fan speed control | Pulse Width Modulated (PWM) fan connector
Temperature: Monitoring for CPU, chassis, environment | CPU thermal trip support | Thermal Monitor 2 support
LED: CPU Overheat LED | System Overheat LED | Suspend-state indicator LED
Other Features: Chassis intrusion detection | Chassis intrusion header | SDDC
CPU: Dual 604-pin FC-mPGA4 Sockets | Supports up to two Intel 64-bit Xeon processor(s) of the same type below
System Bus: 800 MHz system bus
Memory Capacity: Eight 240-pin DIMM sockets | Supports up to 16 GB DDRII 400MHz memory | Dual channel memory bus | Memory must be populated in pairs | Single-rank modules are recommended for 6+ DIMM support
Memory Type: DDRII 400MHz buffered (registered) ECC SDRAM 72-bit, 240-pin gold-plated DIMMs
DIMM Sizes: 256 MB, 512 MB, 1GB, 2GB
Memory Voltage: 1.8 V only
Error Detection: Corrects single-bit errors | Detects double-bit errors (using ECC memory) | Supports Intel x4 Single Device Data Correction (SDDC)
Chipset: Intel E7525 chipset | MCH + ICH5R + PXH +82546GB
SATA: ICH5R SATA Controller | RAID 0, 1, JBOD support
IPMI: Support for Intelligent Platform Management Interface v.2.0 (Optional)
Network Controllers: Intel 82546GB Dual Port Gigabit Controller | Supports 10BASE-T, 100BASE-TX, and 1000BASE-T, RJ45 output
Audio: AC#39;97 audio CODEC with high quality 6-channel sound
Super I/O: Winbond 83627HF chip
Serial ATA: Two Serial ATA ports | Two SATA hard drives supported
IDE: Dual EIDE channels support up to four UDMA IDE devices | Supports UDMA Mode 5, PIO Mode 4, and ATA/100
Floppy: 1 Floppy controller; 1.44 MB, 2.88 MB, 3-mode support
LAN: 2x RJ45 LAN port
USB: 4x USB rear ports | 4x USB internal headers | USB 2.0 Compliant / 1.1 Compliant
Audio: 1x Line In / Line Out / Microphone ports
Keyboard / Mouse: PS/2 keyboard and mouse ports
Serial Ports: 2 Fast UART 16550 serial ports
Parallel Port: 1 ECP/EEP parallel port
2U Chassis: SC823i-550LP
Rackmount Tower / 4U: SC743i-R760 | SC743i-650 | SC743i-645
Important Chassis Notes: To ensure system stability, a 450W (minimum) ATX power supply | [4-pin (+12V), 8-pin (+12V) and 24-pin are required] | Chassis must have CPU mounting holes required for 800MHz FSB CPUs with this serverboard.
PCI-Express: 1 (x16) slot | 1 (x4) using (x16 slot)
PCI-X: 1x 64-bit 133MHz PCI-X (3.3V) slot | 2x 64-bit 100MHz PCI-X (3.3V) slots
PCI: 1x 32-bit 33MHz PCI (5V) slot
BIOS Type: 8Mb Flash EEPROM with Phoenix BIOS
BIOS Features: Plug and Play (PnP) | SMBIOS 2.3 | APM 1.2 | DMI 2.1 | ACPI 1.0 | Fan Speed Control
Software: Optional IPMI (Intelligent Platform Management Interface) 2.0 | Super | Doctor III | Watch Dog | NMI
Power Configurations: ACPI/APM Power Management | Main Switch Override Mechanism | Wake-On-Ring (WOR) header | Wake-On-LAN (WOL) header | Suspend to RAM (STR) | CPU Fan auto-off in sleep mode | Power-on mode control for AC power loss recovery | Internal/External modem remote ring-on