Model: Zotac IONITX-A-U
Specifications
| CPU Compatibility | Intel Atom 330 |
| Form Factor | Mini-ITX |
| Chipset Manufacturer | nVidia |
| Chipset | ION |
| Front Side Bus | 533Mhz |
| Wired Network Connectivity | Gigabit Networking + 802.11 G/N |
| Cooling System | Heatsink and Fan |
Memory Support | |
| Type | DDR2 |
| Maximum Speed | 800 MHz |
| Number of Slots | 2 |
| Maximum Size per Slot | 2 GB |
| Maximum Amount Supported | 4 GB |
Onboard Video | |
| Chipset Manufacturer | nVidia |
| Processor Type | GeForce 9400M |
| Maximum Shared Memory | 512 MB |
| Maximum Resolution | 1920x1200 |
| DVI | 1 |
| VGA | 1 |
| HDMI | 1 |
| Notes: | HDCP Compatible. |
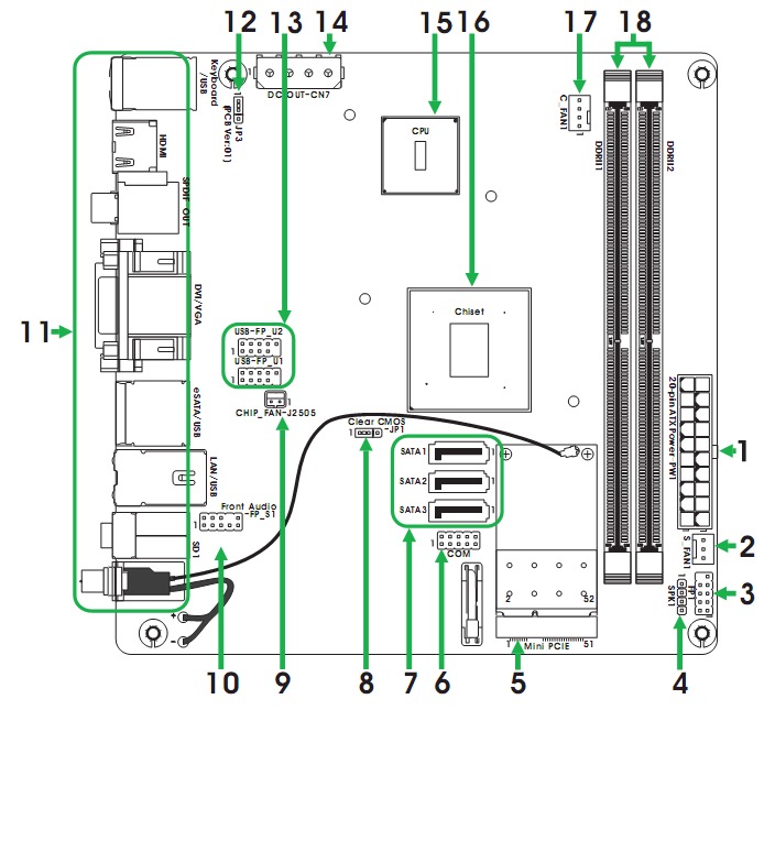
External Connections | |
| USB 2.0 | 6 |
| PS/2 Keyboard | Yes |
| Audio Out | Surround Sound (7.1) |
| S/PDIF | Optical and Coaxial |
| External SATA | 1 |
| LAN (RJ45) | 1 |
| Wireless Antenna Port | Yes |
Internal Connections | |
| USB 2.0 | 2 (providing 4 ports) |
Expansion Slots | |
| Slot 1 | Mini PCI-Express |
Additional Information | |
| RAID Support | 0/1 |
Dimensions | |
| Height | 39 mm (1.5 in) |
| Width | 178 mm (7.0 in) |
| Depth | 170 mm (6.7 in) |
| Net Weight | 0.5 kg (1.1 lbs) |
Internal Connections
SATA2: 3
Graphics Engine Clock: 450MHz
Shader Clock: 1100MHz
16 Stream Processors.
Supports DirectX 10
nVidia PureVideo HD Support.
nVidia CUDA Ready.
nVidia PhysX Ready.
Includes 802.11n wireless. Mini PCI-Express slot is used by wireless card by default.
90 Watt PSU included.